About this item
- Title
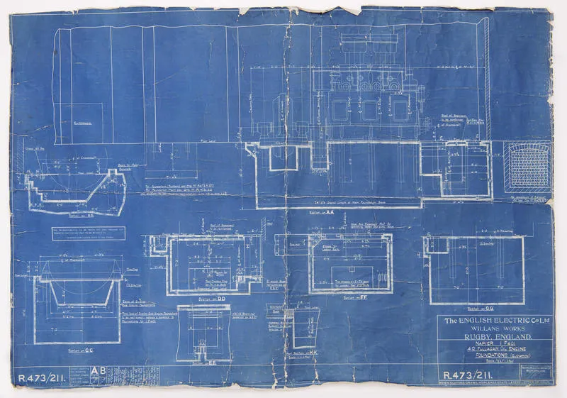
- Plan, Fullagar Diesel Engine from the Power Station
- Content partner
- MTG Hawke's Bay
- Collection
- MTG Hawke's Bay
- Description
The plan is of the Fullagar diesel engine located at the Power Station in Faraday Street, Napier and shows the foundation plan, elevations, section drawings, blocks for handrail stanchions, the flywheel and the exhaust pits.
- Format
- Image
- Date created
- 24 Jan 1924
- URL
- https://collection.mtghawkesbay.com/objects/73824
- Related subjects
- Engineering plans / Architects and Civil Engineers / Building and planning / Archive classification / Electricity / Infrastructure / Local history / History / Napier / Hawke's Bay / North Island / New Zealand / Polynesia / Oceania
What can I do with this item?
Check copyright status and what you can do with this item
Check informationReport this item
If you believe this item breaches our terms of use please report this item
Report this itemDigitalNZ brings together more than 30 million items from institutions so that they are easy to find and use. This information is the best information we could find on this item. This item was added on 14 August 2021, and updated 17 March 2026.
Learn more about how we work.
Share
What is the copyright status of this item?

Unknown
We haven't been able to determine the rights status of this item. It may be suitable for sharing, modification and commercial use, but you will need to check with MTG Hawke's Bay about its specific terms of use, and may need to undertake research to find the creator and publisher of each object to determine this.
What can I do with this item?
You must always check with MTG Hawke's Bay to confirm the specific terms of use, but this is our understanding:

Non-infringing use
NZ Copyright law does not prevent every use of a copyright work. You should consider what you can and cannot do with a copyright work.

Check before sharing
You'll need to confirm with the copyright holder before copying and/or sharing this item with others. This includes posting it on your blog, using it in a presentation, or any other public use.

Check before modifying
You'll need to confirm with the copyright holder before modifying, remixing, or building upon this item.

Check about commercial use
You'll need to confirm with the copyright holder before using this item for commercial purposes.
What can I do with this item?
Check copyright status and what you can do with this item
Check informationReport this item
If you believe this item breaches our terms of use please report this item
Report this itemDigitalNZ brings together more than 30 million items from institutions so that they are easy to find and use. This information is the best information we could find on this item. This item was added on 14 August 2021, and updated 17 March 2026.
Learn more about how we work.
Share
Related items
Loading...
